当前位置:首页>南昌>南昌八一学校2026电工技师变频器教学课程设计方案

南昌八一学校2026电工技师变频器教学课程设计方案

  • 2026-04-27 03:27:56
南昌八一学校2026电工技师变频器教学课程设计方案

南昌八一学校2026电工技师变频器教学课程方案✅ 你关注的课程方向精准贴合工业自动化核心技能需求,以下是结合官方课程信息整理的完整方案。

🛠️ 课程定位与培养目标

定位:面向电工技师职业资格考核与工业自动化岗位需求,聚焦变频器核心技术,从原理、操作到故障维修全链条覆盖,助力学员通过国家职业资格二级(技师)认证,同时掌握工业现场变频器应用技能。

目标:掌握主流品牌变频器的选型、调试、维护与故障排查能力;能独立完成变频器控制系统设计、改造项目;具备撰写技师论文与答辩的专业能力。

📚 核心教学内容

🔧 基础原理模块

变频器变频调速基本原理、内部结构拆解

交-直-交变频技术、PWM调制原理

变频器三种控制方式(V/F控制、矢量控制、直接转矩控制)对比与应用场景

📝 操作调试模块

主流品牌(三菱、西门子等)变频器面板操作与参数设置

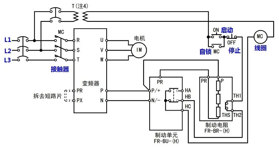
变频器主电路、控制电路硬件接线规范(数字量/模拟量端子详解)

多段速控制、PID闭环控制、USS通信等功能调试

变频器与PLC、触摸屏的联动编程(含通信协议实操)

🔍 故障维修模块

变频器常见故障代码解析(过压、过流、过载、过热、缺相等)

变频器主电路、驱动电路、开关电源的检测与维修实训

工业现场变频器故障排查流程与诊断技巧

🎯 项目实战模块

变频恒压供水系统设计与调试

风机节能变频控制系统改造

轧机变频器速度与转矩控制设计

双变频离心机应用项目实践

📄 技师认证模块

变频器相关技师论文选题、撰写指导

论文答辩技巧与模拟演练

国家职业资格二级(技师)考核高频考点强化

⏰ 教学安排与模式

培训周期:常规班45天(全日制半天理论+半天实操);基础薄弱学员可申请晚上/周末补课,周期适当延长

教学模式:

理论课堂:结合工业案例讲解原理与参数设定逻辑

实操实训:在专业变频器实验室,使用实物设备模拟工业现场操作

项目实习:对接企业真实项目,参与变频器系统调试与维护工作

课程特色:采用模块化教学,未掌握内容可免费重修,确保技能扎实掌握

🏫 教学资源与师资

实训场地:配备专业变频器实验室,模拟工业现场环境

教学材料:内部讲义、模块化实训手册、主流品牌变频器原厂资料

师资力量:拥有20年以上教学经验,具备电工技师职业资格与企业项目实战背景的专业教师

📊 考核与证书

考核方式:理论考试(变频器原理、参数设置)+ 实操考核(故障排查、系统调试)+ 项目答辩(变频器控制系统设计)

证书对接:直接对接维修电工技师(二级)国家职业资格考试,考核通过可获全国通用职业资格证书;同时可考取国家安全生产监督总局IC卡操作证

如果需要,我可以帮你细化每日教学安排表,要不要我继续整理?

南昌八一技术学校电工技师变频器相关课程信息,为你整理出每日教学安排表参考框架。

⏰ 常规电工技师班(45天)每日教学安排

上午(理论教学,4课时)

第1-7天 基础技能模块

电工基础理论:电路原理、电机与变压器、低压电器原理

电气控制实操基础:电气接线规范、故障排查逻辑、PLC硬件认知

第8-25天 高级编程模块

PLC编程基础:位指令/定时器/计数器编程训练、模拟量输入输出

博图软件操作:程序块与组织块应用、PLC与触摸屏/变频器通信编程

第26-35天 变频器技术模块

变频器原理:主电路/驱动电路/开关电源实训维修

故障处理:过电压/过电流/过载/过热/缺相故障实训维修

应用开发:变频恒压供水、轧机速度转矩控制、双变频离心机应用设计

第36-42天 技师认证专项模块

国家职业资格二级考核内容强化、技师论文撰写指导

第43-45天 综合复习与考核模拟

理论知识串讲、技能操作模拟训练、论文答辩预演

下午(实践操作,4课时)

对应上午理论内容开展实操训练,例如:

基础模块:电气接线实操、PLC硬件接线与测试

编程模块:PLC程序编写与调试、触摸屏与PLC通信实操

变频器模块:变频器参数设置与调试、变频控制电路设计与实现

认证模块:技能操作考核模拟、论文答辩模拟

⏰ 智能电工高级技师师资班(20天)每日教学安排

上午(理论教学,4课时)

第1-5天 综合应用技术模块

三菱PLC编程与应用、西门子TIA博途1500编程软件操作

变频器原理与参数设置、触摸屏人机界面设计

第6-12天 专项技能与系统设计模块

智能电工控制器在二次电路的应用技巧、PID控制技术应用

典型系统设计实践:风机节能控制系统、恒压供水系统设计

第13-18天 高级编程与通信模块

PLC程序块与组织块设计、函数与函数块开发

PLC与变频器USS通信实现、工业机器人通信编程基础

第19-20天 综合考核与教学能力训练

理论考试、实践操作考核、系统设计项目答辩

教学方法培训:课程设计、实训指导技巧

下午(实践操作,4课时)

上午理论内容的实操深化,例如:

综合应用模块:PLC与变频器联合调试、触摸屏界面设计与测试

系统设计模块:恒压供水系统搭建与调试、中央空调系统设计实践

通信模块:PLC与变频器USS通信实操、工业机器人通信基础实验

最新文章

随机文章

基本 文件 流程 错误 SQL 调试
  1. 请求信息 : 2026-04-27 03:32:19 HTTP/2.0 GET : https://a.460.net.cn/a/502117.html
  2. 运行时间 : 0.160436s [ 吞吐率:6.23req/s ] 内存消耗:4,451.21kb 文件加载:140
  3. 缓存信息 : 0 reads,0 writes
  4. 会话信息 : SESSION_ID=7addb6265ecd82cc08da65f30a44057c
  1. /yingpanguazai/ssd/ssd1/www/a.460.net.cn/public/index.php ( 0.79 KB )
  2. /yingpanguazai/ssd/ssd1/www/a.460.net.cn/vendor/autoload.php ( 0.17 KB )
  3. /yingpanguazai/ssd/ssd1/www/a.460.net.cn/vendor/composer/autoload_real.php ( 2.49 KB )
  4. /yingpanguazai/ssd/ssd1/www/a.460.net.cn/vendor/composer/platform_check.php ( 0.90 KB )
  5. /yingpanguazai/ssd/ssd1/www/a.460.net.cn/vendor/composer/ClassLoader.php ( 14.03 KB )
  6. /yingpanguazai/ssd/ssd1/www/a.460.net.cn/vendor/composer/autoload_static.php ( 4.90 KB )
  7. /yingpanguazai/ssd/ssd1/www/a.460.net.cn/vendor/topthink/think-helper/src/helper.php ( 8.34 KB )
  8. /yingpanguazai/ssd/ssd1/www/a.460.net.cn/vendor/topthink/think-validate/src/helper.php ( 2.19 KB )
  9. /yingpanguazai/ssd/ssd1/www/a.460.net.cn/vendor/topthink/think-orm/src/helper.php ( 1.47 KB )
  10. /yingpanguazai/ssd/ssd1/www/a.460.net.cn/vendor/topthink/think-orm/stubs/load_stubs.php ( 0.16 KB )
  11. /yingpanguazai/ssd/ssd1/www/a.460.net.cn/vendor/topthink/framework/src/think/Exception.php ( 1.69 KB )
  12. /yingpanguazai/ssd/ssd1/www/a.460.net.cn/vendor/topthink/think-container/src/Facade.php ( 2.71 KB )
  13. /yingpanguazai/ssd/ssd1/www/a.460.net.cn/vendor/symfony/deprecation-contracts/function.php ( 0.99 KB )
  14. /yingpanguazai/ssd/ssd1/www/a.460.net.cn/vendor/symfony/polyfill-mbstring/bootstrap.php ( 8.26 KB )
  15. /yingpanguazai/ssd/ssd1/www/a.460.net.cn/vendor/symfony/polyfill-mbstring/bootstrap80.php ( 9.78 KB )
  16. /yingpanguazai/ssd/ssd1/www/a.460.net.cn/vendor/symfony/var-dumper/Resources/functions/dump.php ( 1.49 KB )
  17. /yingpanguazai/ssd/ssd1/www/a.460.net.cn/vendor/topthink/think-dumper/src/helper.php ( 0.18 KB )
  18. /yingpanguazai/ssd/ssd1/www/a.460.net.cn/vendor/symfony/var-dumper/VarDumper.php ( 4.30 KB )
  19. /yingpanguazai/ssd/ssd1/www/a.460.net.cn/vendor/topthink/framework/src/think/App.php ( 15.30 KB )
  20. /yingpanguazai/ssd/ssd1/www/a.460.net.cn/vendor/topthink/think-container/src/Container.php ( 15.76 KB )
  21. /yingpanguazai/ssd/ssd1/www/a.460.net.cn/vendor/psr/container/src/ContainerInterface.php ( 1.02 KB )
  22. /yingpanguazai/ssd/ssd1/www/a.460.net.cn/app/provider.php ( 0.19 KB )
  23. /yingpanguazai/ssd/ssd1/www/a.460.net.cn/vendor/topthink/framework/src/think/Http.php ( 6.04 KB )
  24. /yingpanguazai/ssd/ssd1/www/a.460.net.cn/vendor/topthink/think-helper/src/helper/Str.php ( 7.29 KB )
  25. /yingpanguazai/ssd/ssd1/www/a.460.net.cn/vendor/topthink/framework/src/think/Env.php ( 4.68 KB )
  26. /yingpanguazai/ssd/ssd1/www/a.460.net.cn/app/common.php ( 0.03 KB )
  27. /yingpanguazai/ssd/ssd1/www/a.460.net.cn/vendor/topthink/framework/src/helper.php ( 18.78 KB )
  28. /yingpanguazai/ssd/ssd1/www/a.460.net.cn/vendor/topthink/framework/src/think/Config.php ( 5.54 KB )
  29. /yingpanguazai/ssd/ssd1/www/a.460.net.cn/config/app.php ( 0.95 KB )
  30. /yingpanguazai/ssd/ssd1/www/a.460.net.cn/config/cache.php ( 0.78 KB )
  31. /yingpanguazai/ssd/ssd1/www/a.460.net.cn/config/console.php ( 0.23 KB )
  32. /yingpanguazai/ssd/ssd1/www/a.460.net.cn/config/cookie.php ( 0.56 KB )
  33. /yingpanguazai/ssd/ssd1/www/a.460.net.cn/config/database.php ( 2.48 KB )
  34. /yingpanguazai/ssd/ssd1/www/a.460.net.cn/vendor/topthink/framework/src/think/facade/Env.php ( 1.67 KB )
  35. /yingpanguazai/ssd/ssd1/www/a.460.net.cn/config/filesystem.php ( 0.61 KB )
  36. /yingpanguazai/ssd/ssd1/www/a.460.net.cn/config/lang.php ( 0.91 KB )
  37. /yingpanguazai/ssd/ssd1/www/a.460.net.cn/config/log.php ( 1.35 KB )
  38. /yingpanguazai/ssd/ssd1/www/a.460.net.cn/config/middleware.php ( 0.19 KB )
  39. /yingpanguazai/ssd/ssd1/www/a.460.net.cn/config/route.php ( 1.89 KB )
  40. /yingpanguazai/ssd/ssd1/www/a.460.net.cn/config/session.php ( 0.57 KB )
  41. /yingpanguazai/ssd/ssd1/www/a.460.net.cn/config/trace.php ( 0.34 KB )
  42. /yingpanguazai/ssd/ssd1/www/a.460.net.cn/config/view.php ( 0.82 KB )
  43. /yingpanguazai/ssd/ssd1/www/a.460.net.cn/app/event.php ( 0.25 KB )
  44. /yingpanguazai/ssd/ssd1/www/a.460.net.cn/vendor/topthink/framework/src/think/Event.php ( 7.67 KB )
  45. /yingpanguazai/ssd/ssd1/www/a.460.net.cn/app/service.php ( 0.13 KB )
  46. /yingpanguazai/ssd/ssd1/www/a.460.net.cn/app/AppService.php ( 0.26 KB )
  47. /yingpanguazai/ssd/ssd1/www/a.460.net.cn/vendor/topthink/framework/src/think/Service.php ( 1.64 KB )
  48. /yingpanguazai/ssd/ssd1/www/a.460.net.cn/vendor/topthink/framework/src/think/Lang.php ( 7.35 KB )
  49. /yingpanguazai/ssd/ssd1/www/a.460.net.cn/vendor/topthink/framework/src/lang/zh-cn.php ( 13.70 KB )
  50. /yingpanguazai/ssd/ssd1/www/a.460.net.cn/vendor/topthink/framework/src/think/initializer/Error.php ( 3.31 KB )
  51. /yingpanguazai/ssd/ssd1/www/a.460.net.cn/vendor/topthink/framework/src/think/initializer/RegisterService.php ( 1.33 KB )
  52. /yingpanguazai/ssd/ssd1/www/a.460.net.cn/vendor/services.php ( 0.14 KB )
  53. /yingpanguazai/ssd/ssd1/www/a.460.net.cn/vendor/topthink/framework/src/think/service/PaginatorService.php ( 1.52 KB )
  54. /yingpanguazai/ssd/ssd1/www/a.460.net.cn/vendor/topthink/framework/src/think/service/ValidateService.php ( 0.99 KB )
  55. /yingpanguazai/ssd/ssd1/www/a.460.net.cn/vendor/topthink/framework/src/think/service/ModelService.php ( 2.04 KB )
  56. /yingpanguazai/ssd/ssd1/www/a.460.net.cn/vendor/topthink/think-trace/src/Service.php ( 0.77 KB )
  57. /yingpanguazai/ssd/ssd1/www/a.460.net.cn/vendor/topthink/framework/src/think/Middleware.php ( 6.72 KB )
  58. /yingpanguazai/ssd/ssd1/www/a.460.net.cn/vendor/topthink/framework/src/think/initializer/BootService.php ( 0.77 KB )
  59. /yingpanguazai/ssd/ssd1/www/a.460.net.cn/vendor/topthink/think-orm/src/Paginator.php ( 11.86 KB )
  60. /yingpanguazai/ssd/ssd1/www/a.460.net.cn/vendor/topthink/think-validate/src/Validate.php ( 63.20 KB )
  61. /yingpanguazai/ssd/ssd1/www/a.460.net.cn/vendor/topthink/think-orm/src/Model.php ( 23.55 KB )
  62. /yingpanguazai/ssd/ssd1/www/a.460.net.cn/vendor/topthink/think-orm/src/model/concern/Attribute.php ( 21.05 KB )
  63. /yingpanguazai/ssd/ssd1/www/a.460.net.cn/vendor/topthink/think-orm/src/model/concern/AutoWriteData.php ( 4.21 KB )
  64. /yingpanguazai/ssd/ssd1/www/a.460.net.cn/vendor/topthink/think-orm/src/model/concern/Conversion.php ( 6.44 KB )
  65. /yingpanguazai/ssd/ssd1/www/a.460.net.cn/vendor/topthink/think-orm/src/model/concern/DbConnect.php ( 5.16 KB )
  66. /yingpanguazai/ssd/ssd1/www/a.460.net.cn/vendor/topthink/think-orm/src/model/concern/ModelEvent.php ( 2.33 KB )
  67. /yingpanguazai/ssd/ssd1/www/a.460.net.cn/vendor/topthink/think-orm/src/model/concern/RelationShip.php ( 28.29 KB )
  68. /yingpanguazai/ssd/ssd1/www/a.460.net.cn/vendor/topthink/think-helper/src/contract/Arrayable.php ( 0.09 KB )
  69. /yingpanguazai/ssd/ssd1/www/a.460.net.cn/vendor/topthink/think-helper/src/contract/Jsonable.php ( 0.13 KB )
  70. /yingpanguazai/ssd/ssd1/www/a.460.net.cn/vendor/topthink/think-orm/src/model/contract/Modelable.php ( 0.09 KB )
  71. /yingpanguazai/ssd/ssd1/www/a.460.net.cn/vendor/topthink/framework/src/think/Db.php ( 2.88 KB )
  72. /yingpanguazai/ssd/ssd1/www/a.460.net.cn/vendor/topthink/think-orm/src/DbManager.php ( 8.52 KB )
  73. /yingpanguazai/ssd/ssd1/www/a.460.net.cn/vendor/topthink/framework/src/think/Log.php ( 6.28 KB )
  74. /yingpanguazai/ssd/ssd1/www/a.460.net.cn/vendor/topthink/framework/src/think/Manager.php ( 3.92 KB )
  75. /yingpanguazai/ssd/ssd1/www/a.460.net.cn/vendor/psr/log/src/LoggerTrait.php ( 2.69 KB )
  76. /yingpanguazai/ssd/ssd1/www/a.460.net.cn/vendor/psr/log/src/LoggerInterface.php ( 2.71 KB )
  77. /yingpanguazai/ssd/ssd1/www/a.460.net.cn/vendor/topthink/framework/src/think/Cache.php ( 4.92 KB )
  78. /yingpanguazai/ssd/ssd1/www/a.460.net.cn/vendor/psr/simple-cache/src/CacheInterface.php ( 4.71 KB )
  79. /yingpanguazai/ssd/ssd1/www/a.460.net.cn/vendor/topthink/think-helper/src/helper/Arr.php ( 16.63 KB )
  80. /yingpanguazai/ssd/ssd1/www/a.460.net.cn/vendor/topthink/framework/src/think/cache/driver/File.php ( 7.84 KB )
  81. /yingpanguazai/ssd/ssd1/www/a.460.net.cn/vendor/topthink/framework/src/think/cache/Driver.php ( 9.03 KB )
  82. /yingpanguazai/ssd/ssd1/www/a.460.net.cn/vendor/topthink/framework/src/think/contract/CacheHandlerInterface.php ( 1.99 KB )
  83. /yingpanguazai/ssd/ssd1/www/a.460.net.cn/app/Request.php ( 0.09 KB )
  84. /yingpanguazai/ssd/ssd1/www/a.460.net.cn/vendor/topthink/framework/src/think/Request.php ( 55.78 KB )
  85. /yingpanguazai/ssd/ssd1/www/a.460.net.cn/app/middleware.php ( 0.25 KB )
  86. /yingpanguazai/ssd/ssd1/www/a.460.net.cn/vendor/topthink/framework/src/think/Pipeline.php ( 2.61 KB )
  87. /yingpanguazai/ssd/ssd1/www/a.460.net.cn/vendor/topthink/think-trace/src/TraceDebug.php ( 3.40 KB )
  88. /yingpanguazai/ssd/ssd1/www/a.460.net.cn/vendor/topthink/framework/src/think/middleware/SessionInit.php ( 1.94 KB )
  89. /yingpanguazai/ssd/ssd1/www/a.460.net.cn/vendor/topthink/framework/src/think/Session.php ( 1.80 KB )
  90. /yingpanguazai/ssd/ssd1/www/a.460.net.cn/vendor/topthink/framework/src/think/session/driver/File.php ( 6.27 KB )
  91. /yingpanguazai/ssd/ssd1/www/a.460.net.cn/vendor/topthink/framework/src/think/contract/SessionHandlerInterface.php ( 0.87 KB )
  92. /yingpanguazai/ssd/ssd1/www/a.460.net.cn/vendor/topthink/framework/src/think/session/Store.php ( 7.12 KB )
  93. /yingpanguazai/ssd/ssd1/www/a.460.net.cn/vendor/topthink/framework/src/think/Route.php ( 23.73 KB )
  94. /yingpanguazai/ssd/ssd1/www/a.460.net.cn/vendor/topthink/framework/src/think/route/RuleName.php ( 5.75 KB )
  95. /yingpanguazai/ssd/ssd1/www/a.460.net.cn/vendor/topthink/framework/src/think/route/Domain.php ( 2.53 KB )
  96. /yingpanguazai/ssd/ssd1/www/a.460.net.cn/vendor/topthink/framework/src/think/route/RuleGroup.php ( 22.43 KB )
  97. /yingpanguazai/ssd/ssd1/www/a.460.net.cn/vendor/topthink/framework/src/think/route/Rule.php ( 26.95 KB )
  98. /yingpanguazai/ssd/ssd1/www/a.460.net.cn/vendor/topthink/framework/src/think/route/RuleItem.php ( 9.78 KB )
  99. /yingpanguazai/ssd/ssd1/www/a.460.net.cn/route/app.php ( 1.72 KB )
  100. /yingpanguazai/ssd/ssd1/www/a.460.net.cn/vendor/topthink/framework/src/think/facade/Route.php ( 4.70 KB )
  101. /yingpanguazai/ssd/ssd1/www/a.460.net.cn/vendor/topthink/framework/src/think/route/dispatch/Controller.php ( 4.74 KB )
  102. /yingpanguazai/ssd/ssd1/www/a.460.net.cn/vendor/topthink/framework/src/think/route/Dispatch.php ( 10.44 KB )
  103. /yingpanguazai/ssd/ssd1/www/a.460.net.cn/app/controller/Index.php ( 4.81 KB )
  104. /yingpanguazai/ssd/ssd1/www/a.460.net.cn/app/BaseController.php ( 2.05 KB )
  105. /yingpanguazai/ssd/ssd1/www/a.460.net.cn/vendor/topthink/think-orm/src/facade/Db.php ( 0.93 KB )
  106. /yingpanguazai/ssd/ssd1/www/a.460.net.cn/vendor/topthink/think-orm/src/db/connector/Mysql.php ( 5.44 KB )
  107. /yingpanguazai/ssd/ssd1/www/a.460.net.cn/vendor/topthink/think-orm/src/db/PDOConnection.php ( 52.47 KB )
  108. /yingpanguazai/ssd/ssd1/www/a.460.net.cn/vendor/topthink/think-orm/src/db/Connection.php ( 8.39 KB )
  109. /yingpanguazai/ssd/ssd1/www/a.460.net.cn/vendor/topthink/think-orm/src/db/ConnectionInterface.php ( 4.57 KB )
  110. /yingpanguazai/ssd/ssd1/www/a.460.net.cn/vendor/topthink/think-orm/src/db/builder/Mysql.php ( 16.58 KB )
  111. /yingpanguazai/ssd/ssd1/www/a.460.net.cn/vendor/topthink/think-orm/src/db/Builder.php ( 24.06 KB )
  112. /yingpanguazai/ssd/ssd1/www/a.460.net.cn/vendor/topthink/think-orm/src/db/BaseBuilder.php ( 27.50 KB )
  113. /yingpanguazai/ssd/ssd1/www/a.460.net.cn/vendor/topthink/think-orm/src/db/Query.php ( 15.71 KB )
  114. /yingpanguazai/ssd/ssd1/www/a.460.net.cn/vendor/topthink/think-orm/src/db/BaseQuery.php ( 45.13 KB )
  115. /yingpanguazai/ssd/ssd1/www/a.460.net.cn/vendor/topthink/think-orm/src/db/concern/TimeFieldQuery.php ( 7.43 KB )
  116. /yingpanguazai/ssd/ssd1/www/a.460.net.cn/vendor/topthink/think-orm/src/db/concern/AggregateQuery.php ( 3.26 KB )
  117. /yingpanguazai/ssd/ssd1/www/a.460.net.cn/vendor/topthink/think-orm/src/db/concern/ModelRelationQuery.php ( 20.07 KB )
  118. /yingpanguazai/ssd/ssd1/www/a.460.net.cn/vendor/topthink/think-orm/src/db/concern/ParamsBind.php ( 3.66 KB )
  119. /yingpanguazai/ssd/ssd1/www/a.460.net.cn/vendor/topthink/think-orm/src/db/concern/ResultOperation.php ( 7.01 KB )
  120. /yingpanguazai/ssd/ssd1/www/a.460.net.cn/vendor/topthink/think-orm/src/db/concern/WhereQuery.php ( 19.37 KB )
  121. /yingpanguazai/ssd/ssd1/www/a.460.net.cn/vendor/topthink/think-orm/src/db/concern/JoinAndViewQuery.php ( 7.11 KB )
  122. /yingpanguazai/ssd/ssd1/www/a.460.net.cn/vendor/topthink/think-orm/src/db/concern/TableFieldInfo.php ( 2.63 KB )
  123. /yingpanguazai/ssd/ssd1/www/a.460.net.cn/vendor/topthink/think-orm/src/db/concern/Transaction.php ( 2.77 KB )
  124. /yingpanguazai/ssd/ssd1/www/a.460.net.cn/vendor/topthink/framework/src/think/log/driver/File.php ( 5.96 KB )
  125. /yingpanguazai/ssd/ssd1/www/a.460.net.cn/vendor/topthink/framework/src/think/contract/LogHandlerInterface.php ( 0.86 KB )
  126. /yingpanguazai/ssd/ssd1/www/a.460.net.cn/vendor/topthink/framework/src/think/log/Channel.php ( 3.89 KB )
  127. /yingpanguazai/ssd/ssd1/www/a.460.net.cn/vendor/topthink/framework/src/think/event/LogRecord.php ( 1.02 KB )
  128. /yingpanguazai/ssd/ssd1/www/a.460.net.cn/vendor/topthink/think-helper/src/Collection.php ( 16.47 KB )
  129. /yingpanguazai/ssd/ssd1/www/a.460.net.cn/vendor/topthink/framework/src/think/facade/View.php ( 1.70 KB )
  130. /yingpanguazai/ssd/ssd1/www/a.460.net.cn/vendor/topthink/framework/src/think/View.php ( 4.39 KB )
  131. /yingpanguazai/ssd/ssd1/www/a.460.net.cn/vendor/topthink/framework/src/think/Response.php ( 8.81 KB )
  132. /yingpanguazai/ssd/ssd1/www/a.460.net.cn/vendor/topthink/framework/src/think/response/View.php ( 3.29 KB )
  133. /yingpanguazai/ssd/ssd1/www/a.460.net.cn/vendor/topthink/framework/src/think/Cookie.php ( 6.06 KB )
  134. /yingpanguazai/ssd/ssd1/www/a.460.net.cn/vendor/topthink/think-view/src/Think.php ( 8.38 KB )
  135. /yingpanguazai/ssd/ssd1/www/a.460.net.cn/vendor/topthink/framework/src/think/contract/TemplateHandlerInterface.php ( 1.60 KB )
  136. /yingpanguazai/ssd/ssd1/www/a.460.net.cn/vendor/topthink/think-template/src/Template.php ( 46.61 KB )
  137. /yingpanguazai/ssd/ssd1/www/a.460.net.cn/vendor/topthink/think-template/src/template/driver/File.php ( 2.41 KB )
  138. /yingpanguazai/ssd/ssd1/www/a.460.net.cn/vendor/topthink/think-template/src/template/contract/DriverInterface.php ( 0.86 KB )
  139. /yingpanguazai/ssd/ssd1/www/a.460.net.cn/runtime/temp/80ec142d437acc197a4b556a08c383fc.php ( 11.98 KB )
  140. /yingpanguazai/ssd/ssd1/www/a.460.net.cn/vendor/topthink/think-trace/src/Html.php ( 4.42 KB )
  1. CONNECT:[ UseTime:0.000986s ] mysql:host=127.0.0.1;port=3306;dbname=aa460;charset=utf8mb4
  2. SHOW FULL COLUMNS FROM `fenlei` [ RunTime:0.001302s ]
  3. SELECT * FROM `fenlei` WHERE `fid` = 0 [ RunTime:0.000593s ]
  4. SELECT * FROM `fenlei` WHERE `fid` = 63 [ RunTime:0.000558s ]
  5. SHOW FULL COLUMNS FROM `set` [ RunTime:0.001080s ]
  6. SELECT * FROM `set` [ RunTime:0.000453s ]
  7. SHOW FULL COLUMNS FROM `article` [ RunTime:0.001090s ]
  8. SELECT * FROM `article` WHERE `id` = 502117 LIMIT 1 [ RunTime:0.001171s ]
  9. UPDATE `article` SET `lasttime` = 1777231939 WHERE `id` = 502117 [ RunTime:0.006818s ]
  10. SELECT * FROM `fenlei` WHERE `id` = 64 LIMIT 1 [ RunTime:0.000504s ]
  11. SELECT * FROM `article` WHERE `id` < 502117 ORDER BY `id` DESC LIMIT 1 [ RunTime:0.000864s ]
  12. SELECT * FROM `article` WHERE `id` > 502117 ORDER BY `id` ASC LIMIT 1 [ RunTime:0.000874s ]
  13. SELECT * FROM `article` WHERE `id` < 502117 ORDER BY `id` DESC LIMIT 10 [ RunTime:0.001429s ]
  14. SELECT * FROM `article` WHERE `id` < 502117 ORDER BY `id` DESC LIMIT 10,10 [ RunTime:0.003664s ]
  15. SELECT * FROM `article` WHERE `id` < 502117 ORDER BY `id` DESC LIMIT 20,10 [ RunTime:0.013759s ]
0.162037s